Serie 015 - Banda 015FT
| PASO: | 0.60" (15.2 mm) |
| TIPO: | Superficie con sobreinyección de elastómero, especial de alta fricción |
| DESPLAZAMIENTO: | Giro Lateral |
| RESISTENCIA: | 1200 kg/m (Media) |
APLICACIONES
- Diseño especial para transportadores curvos e inclinados en ascenso o descenso, para el transporte de productos empacados
- Ángulo de inclinación: 15°/20°
DIMENSIONES Y GEOMETRÍA
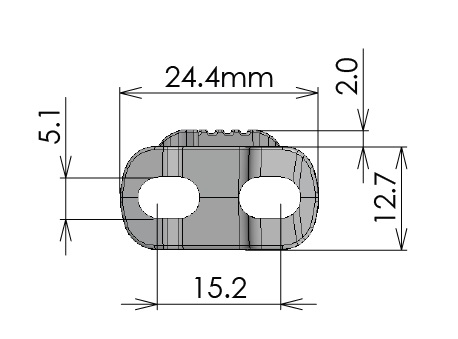
ESLABONES
CARACTERÍSTICAS |
MM |
IN |
|---|---|---|
| Paso / Pitch |
15.2 | 0.60 |
| Ancho del eslabón |
204.0 | 8.03 |
| Ancho máximo de banda |
1500.0 | 59.06 |
| Incrementos estándar en ancho |
16.0 | 0.63 |
| Incrementos posibles en ancho |
16.6 | 0.65 |
| Dimensiones aprox para cada área abierta |
6.6 x 7.0 | 0.26 x 0.28 |
| % área abierta (extendida totalmente) |
26% | |
| Método de tracción |
Enganche en bisagra | |
PINES
CARACTERÍSTICAS |
MM |
IN |
|---|---|---|
| Diámetro pin |
4.8 | 0.19 |
| Tipo de pin |
Barra con saliente | |
DESPLAZAMIENTO Y RADIOS DE GIRO
CARACTERÍSTICAS |
MM |
IN |
|---|---|---|
| Radio mínimo de flexión inversa |
75.0 | 2.95 |
| Radio mínimo de flexión inversa (con guardas laterales) |
n/a | n/a |
| Tipo de desplazamiento |
Giro Lateral | |
| Dirección de desplazamiento |
Uni-direccional | |
| Radio mínimo de giro (medido desde el borde interno) |
1.6 - 2.4x ancho | |
MATERIALES
MATERIAL
|
BANDA
|
PIN
|
FT
|
|||
|---|---|---|---|---|---|---|
| POM | PA | TPE | OK | Blanco Azul | Azul oscuro | Verde |
CARACTERÍSTICAS |
POM | PA |
|---|---|
| Resistencia – banda recta (Kg/m, 23 °C) |
1200 |
| Resistencia – banda en curva (Kg, 23 °C) |
100 |
| Rango de temperatura (uso continuo, °C) |
-40 a +90 |
| Peso de banda (Kg/m2) |
7.63 |
Otros materiales disponibles para aplicaciones extremas o condiciones especiales
CONSTRUCCIÓN DE TRANSPORTADORES
1. Recorrido mínimo recto para el inicio de la banda: 1.5 veces el ancho de la banda
2. Primera curva
3. Recorrido mínimo entre curvas de sentido contrario: 2.0 veces el ancho de la banda. Para curvas en el mismo sentido no se requiere un recorrido mínimo
4. Radio mínimo de giro es 2.2
5. Recorrido mínimo recto para el final de la banda: 1.5 veces el ancho de la banda
(1) En aplicaciones con baja carga hasta 2.2. En los demás casos utilizar 2.4
Información Adicional
- Banda comprobada en movimiento de empaques a alta velocidad







